产品名称:轨道式推杆开窗齿轮齿条
产品编号: 400110042/32/31
重量: 4200.00克
产品规格: Bluky JCKC-00/1050/1200
产地:
生产商:
浏览次数次数:1528
产品详细介绍
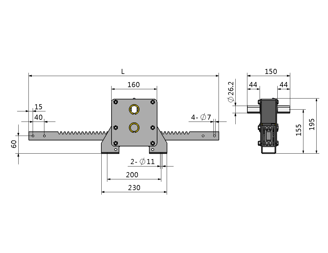
轨道式推杆开窗齿轮参数:
| 编码 | 型号 | 推力(N) | 扭矩(Nm) | 减速比 | 每转齿条行程 | 重量(kg) |
| 400110042 | BlukyJCKC-00 | 5000 | 32.5 | 2.76 | 36.35 | 4.2 |
轨道式推杆开窗齿条参数:
| 编码 | 型号 | 推力(N) | 长度(mm) | 齿条宽度(mm) | 重量(kg) |
| 400110032 | Bluky S750 | 5000 | 1050 | 20 | 4.4 |
| 400110031 | Bluky S900 | 5000 | 1200 | 20 | 5.0 |
标签:温室设备
